• flash1
  • flash2
  • flash3
DSS2.0/6B
更新时间:2025/09/30

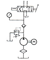
cp06-1

工作压力:高压压力:0-80MPa
  低压压力:0-12MPa
流量:高压流量:0.8L-1.61-2.0L/min
    低压流量:4L/min-20L/min
电机功率:1.5KW-15KW
油箱容量:25L-200L
外型尺寸(长x宽x高)384x280x620
(可按客户要求生产一次产品)
DSS系列电动泵站是由高低压油泵、控制阀、电机、仪表换向阀、油箱等组成的液压动力装置。本泵可实现高低压泵同时供油输出较大流量,高压时低压泵自动空载回油,减少电机功率消耗,具有停机保压、带压换向等性能。
上一页:DSQ6/50H
下一页:DBD0.8M

相关推荐