• flash1
  • flash2
  • flash3
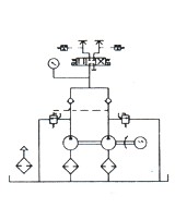
DSQ6/50H
更新时间:2025/09/30

cp07-1

低压:2.5MPa
额定流量:高压:6L/min
低压:50L/min
油箱容量:160L
电机功率:4KW
重量:195kg
主要外型参考尺寸(长x宽x高):
800x540x1025mm
(可按客户要求生产一次产品)
额定压力:高压:32MPa
上一页:DSR6/5H-B
下一页:DSS2.0/6B

相关推荐